|
Model No. |
GBK12-ER |
GBK12-EG |
||
|
Specification |
Material |
S50C | ||
|
Surface Finish |
B:Black Dyed
N:Ni-Plating |
|||
|
Grade |
ER:High rigidity assembly | EG:Universal assembly | ||
|
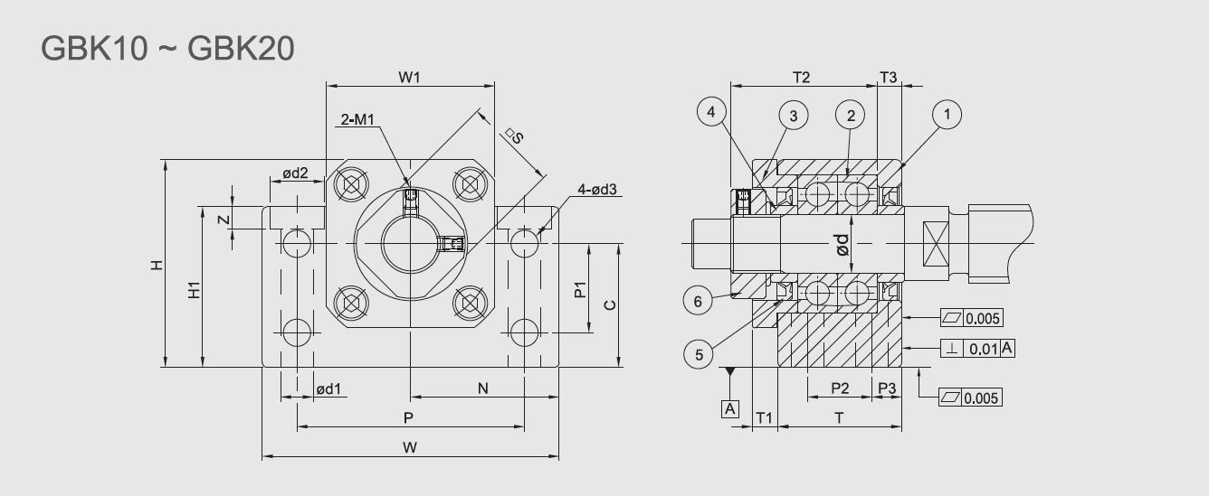
Dimensions |
Ød (mm) |
12 | ||
|
T (mm) |
25 | |||
|
T1 (mm) |
5 | |||
|
T2 (mm) |
29.5 | |||
|
T3 (mm) |
5 | |||
|
W (mm) |
60 | |||
|
W1 (mm) |
34 | |||
|
H (mm) |
42 | |||
|
H1 (mm) |
32.5 | |||
|
N ±0.02 (mm) |
30 | |||
|
C (+0, -0.04) (mm) |
25 | |||
|
P (mm) |
46 | |||
|
P1 (mm) |
18 | |||
|
P2 (mm) |
13 | |||
|
P3 (mm) |
6 | |||
|
Ød1 (mm) |
6.3 | |||
|
Ød2 (mm) |
10.5 | |||
|
Z (mm) |
1.5 | |||
|
Ød3 (mm) |
5.5 | |||
|
M1 (mm) |
M3 | |||
|
口S (mm) |
19 | |||
|
Recommended Processing Dimensions of Shaft |
Ball Screw Shaft |
ØD (mm) |
14 / 15 / 16 | |
|
Shaft End Dia. |
Ød (mm) |
12 (-0.005, -0.012) | ||
|
Processing sizes of shaft |
ØA (mm) |
10 | ||
|
B (mm) |
36 | |||
|
C (mm) |
15 | |||
|
Nominal Thread |
M (mm) |
M12 x P 1.0 | ||
|
L (mm) |
14 | |||
|
Space Ring Length |
T4 (mm) |
5.5 | ||
| Support Unit Introduction |
♦ Preload selection and applications – Light (L) * Machine Requirements:Equipments with small vibration and small thrust, load in one fixed direction. High accuracy is not required. Reduction of frictional force. * Application Examples:Laser welder, small CNCmill machine, cutter, welder, automatic tool changer, packing machine, material supply equipment. – Medium (M) * Machine Requirements:Equipments with load on a post. Equipments with a torque acting on it. Equipments working in one direction. Equipments with low load. Equipments with high accuracy. * Application Examples:Automated feeder, linear feeder, automatedpainting machine, precision slide table, Z-axis control on machines, PC board punch machine. Industrial robot, EDM machine, NC lathe. – Heavy (H) * Machine Requirements:High rigidity, high vibration, high thrust equipments. High load, high torque equipments. * Application Examples:Machining center spindle, NC lathe, Z-axis spindle of the machinery, milling machine, grinding wheel feeding of grinding machine.
♦ Pre-Loaded Description – Purpose:1. Increase the rotational accuracy of axle 2. Increase the rigidity of axle 3. Reduce unwanted clearance 4. Reduce vibration and noise while bearing stops. – What is bearing preload?:The preload describes the process wherein a permenant thrust road is applied to the bearing, so that the bearing is secure in the groove and has no axial clearence. Apply normal force (N). Measure value of L of a pair of bearings. L=L1+L2. Press these pair of bearings on the covers to apply preload and bring these bearings together
♦ Selection Notes – [ Model ]:Pick up the model according to assembly method. Assembly: 1. Plane mounting:GAK、GBK、GEK、GAF、GBF、GEF、GSW、GSWE、GUN、GTN。 2. Suspension and spindle mount:GFK、GFF、GRW、GRWE、GUR、GTR。 – [ Size ]:Decide the size according to the ballscrew shaft O.D., and the center height. – [ Grade ]:Standard and economic types for options. – [ Pre-loaded ]:Decide pre-loaded of the bearing per needs. – [ Surface Finish ]: Black dyed – Regular environment use, low humidity. Nickel plating – Clean room use. – [ Bearing category ]:Available Japanese series and Taiwanese series. |
| Support Unit Assembly models & Steps |
Reviews
There are no reviews yet.